2025年3月
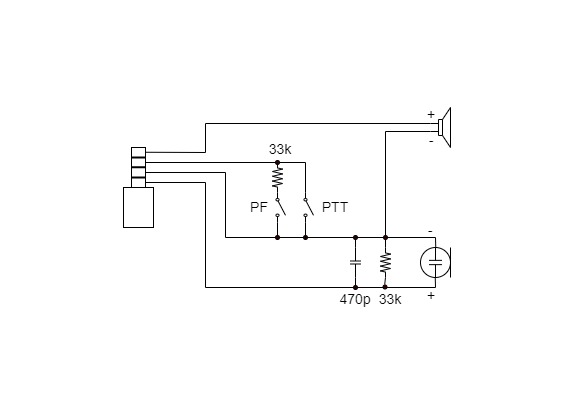
4極1ピンでPTTスイッチが1個付いているハンドマイクにPFキーを追加した。2ピンのマイクなら回路図も見つかった。スイッチと直列に抵抗を入れて区別している。しかし4極1ピンのマイクはネット検索しても情報を見つけられなかった。2ピンと同じ方式で行けないか試してみたらうまくいった。PTT-SWと直列に抵抗を入れてみた。抵抗値を変えるとPTTキーとPFキーが切り替わった。
| 抵抗値(kΩ) | 動作 |
|---|---|
| ゼロ | PTT |
| 2.2 | PTT |
| 3.3 | 反応なし |
| 5.5 | 反応なし |
| 27 | PFキー |
| 33 | PFキー |
反応なしの領域があるのが興味深い。この結果から、PTT-SWと直列に33kΩを直列に入れたスイッチを追加した。スイッチには大き目のタクトスイッチを使い、マイクのボディに接着剤で固定した。
<注意> 私の環境で上手くいっただけの無責任な情報です。一切の保証はありません。機材が壊れるなど損害があっても関知しません。

